星形卸灰阀(回转给料器)GLF-C(方形) GLF-C(圆形)
销售热线: (0)189 0627 1888 联系人: 胡先生 传真: 0513-8844 8088


一、该星形卸灰阀普遍适用于建材、冶金、石化、电力等部门作为种类除尘设备的卸料装置,及各种磨机、烘干机、料仓、筒库的卸料或匀速落料装置。
结构特点
该星形卸灰阀(回转给料器)采用优质钢板焊接结构,叶片耐磨性强,传动装置、传动轴、叶片联为一体。工作平稳可靠,落料均匀 ,轻便节能。
二、性能参数
|
适用介质 |
工作温度 |
卸灰能力 |
|
干燥料尘 |
|
4.5~ |
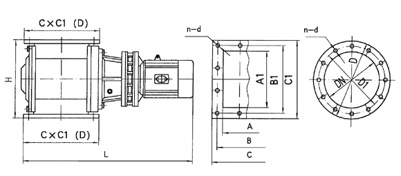
星形卸灰阀外形图

| A1×A | B1×B | C1×C | DN | D | D1 | H | L | n-d | 传动功率型号 | 功率KW | 卸灰能力 m3/h | 重量kg |
| 150×150 | 200×200 | 230×230 | 150 | 230 | 200 | 250 | 870 | 8-Φ13 | BLY-15-43 | 0.75 | 5 | 121 |
| 200×200 | 260×260 | 300×300 | 200 | 300 | 260 | 300 | 910 | 8-Φ17 | BLY-15-43 | 12 | 178 | |
| 300×200 | 360×260 | 400×300 | 300 | 910 | 8-Φ17 | BLY-15-43 | 18 | 214 | ||||
| 250×250 | 310×310 | 350×350 | 250 | 350 | 310 | 350 | 910 | 8-Φ17 | BLY-15-43 | 24 | 258 | |
| 300×300 | 360×360 | 400×400 | 300 | 400 | 360 | 450 | 1140 | 8-Φ17 | BLY-18-59 | 1.5 | 30 | 308 |
| 400×300 | 460×360 | 500×400 | 450 | 1140 | 10-Φ17 | BLY-18-59 | 40 | 335 | ||||
| 500×300 | 460×360 | 600×400 | 450 | 1140 | 12-Φ17 | BLY-18-59 | 50 | 65 | ||||
| 400×400 | 560×360 | 500×500 | 400 | 500 | 460 | 600 | 1220 | 12-Φ20 | BLY-22-71 | 3 | 60 | 398 |
| 500×400 | 460×460 | 600×500 | 600 | 1220 | 14-Φ26 | BLY-22-71 | 75 | 428 | ||||
| 500×500 | 570×570 | 630×630 | 500 | 630 | 570 | 760 | 1400 | 16-Φ26 | BLY-22-71 | 118 | 524 | |
| 700×500 | 770×570 | 830×630 | 760 | 1400 | 18-Φ26 | BLY-22-71 | 160 | 654 |
上一页:[机械阀门]
下一页:
产品别名:


















